
用途简介
1.DMH系列净化对开门灭菌烘箱适用于制药、食品、化工行业的西林瓶、安瓿瓶、铝盖、工器具、及玻璃器皿 件灭菌去热源和固体物料干燥灭菌。
2.DMH系列净化对开门灭菌烘箱,是我公司近几年的新一代产品。在国内数百家制药、食品企业均以通 过GMP认证。
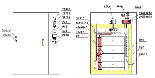
3.触摸屏、PLC操作系统采用日本或德国(西门子),箱体内压力监控采用美国(杜威)仪器
原理及特点:
1.DMH系列干热灭菌烘箱,结合国外制造优势,精心设计开发,为国内外制药企业采用,符合新版GMP、欧 盟认证﹑美国FDA认证制造要求。
2.干热灭菌烘箱采用PLC控制,具备手/自动功能,触摸屏人机界面,有双重加热保护功能。
3.设计温度可达350℃,可通过DOP测试空载热分布±3℃,箱内达到百级状态。
4.干热灭菌烘箱采用满焊结构,内部抛光,Ra≦0.4,无死角,无锐角。
5.装置上留有温度验证接口和DOP检测接口。
6.DMH系列产品可供用户选择,在配置和尺寸方面也可根据用户用途、场地、产量等定制。
干热灭菌烘箱流程描述
Ⅰ.程序启动及流程控制
1.预备阶段(图①中0点)
2.升温阶段(图①中0-1点)
3.排湿阶段(图①中0-1点)
4.灭菌阶段(图①中1-2点)
5.降温阶段(图①中2-3点)
6.结束阶段(图①中3-4点)
技术参数:

净化级别:万级外型尺寸如下表:







干燥灭菌程序的工作曲线如图①所示,流程的各个阶段描述如下:
1. 预备阶段(图①中的0点)
1.1 阶段描述
在预备阶段,设定好灭菌参数如:灭菌温度250℃,灭菌时间45min,报警温度值,排湿跟据物料的湿度可阶段 性的设定排湿温度和排湿时间等。然后还要满足下列条件才能启动程序。
1) 程序在自动状态;
2) 所有其他的程序都位于“预备”状态;
3) 两门都在关闭位置;
4) 所有的温度传感器正常;
1.2 此阶段内的报警
若有上述1.1中的条件不满足,当按下程序启动按钮时,产生报警而且触摸屏显示报警信息。
1.3 此阶段结束条件
操作人员启动“灭菌阶段”
2升温阶段(图①中的0-1点)
2.1 升温阶段描述
1)开启自动按钮;
2)循环风机启动;
3)加热启动;
4)排湿阀门随温度的上升启动和关毕 ;
5)启动记录仪和打印机直至到结束阶段;
2.2 此阶段内的报警
循环风机保护报警,超温报警,箱体内压力报警。
2.3 此阶段结束条件
T1 ≤设定值
3 排湿阶段(图①中的0-1点)
3.1 排湿阶段描述
1) 循环风机启动;
2) 加热启动;
3) 排湿共有5段,排湿阀门根据固化的时间间隔自动开启、关闭;
4) 记录仪和打印机启动;
3.2 此阶段内的报警
循环风机保护报警,超温报警,箱体内压力报警。
3.3 此阶段结束条件
T1 ≥设定值
4 灭菌阶段(图①中的1-2点)
4.1 灭菌阶段描述
1)循环风机启动;
2)加热启动;
3)加热管根据温控表PID调节自动开启和关闭;
4)记录仪和打印机启动;
4.2 此阶段内的报警
循环风机保护报警,超温报警,箱体内压力报警。
4.3 此阶段结束条件
灭菌时间到达设定值(≥45min)
4.4 注释
灭菌温度设定250℃,在灭菌阶段,依靠内室循环风,将灭菌温度控制在250℃-251℃之间。
5 降温阶段(图①中的2-3点)
5.1 降温阶段描述
1) 循环风机启动;
2) 加热停止;
3) 冷却风机启动;
4) 排湿风机启动;
5) 排湿阀门启动;
6) 记录仪和打印机启动;
5.2 此阶段内的报警
循环风机保护报警,箱体内压力报警
5.3 此阶段结束条件
T1≤60℃
6 结束阶段(图①3-4中的点)
6.1 结束阶段描述
1) 补充风机启动;
2) 内室压力≥20Pa;
3) 记录仪和打印机停止;
4) 打印报告要包括如下内容;
a) 实时打印生产批次;
b) 升温、密菌、降温过程;
c) 箱体压力压差数据;
d) FH值;
5) 提示程序运行结束;
检测的结果合格或不合格;